支部基本情况
中共国产av 本科生支部委员会成立于2012年10月,历经12级学生党支部、13级学生党支部、本科一支部后调整为本科生党支部,现有党员45人,其中教师党员4人,学生党员41人。支部覆盖全院电子科学与技术、电子信息工程、通信工程三个专业、近1200名本科生。
自成立以来,支部在学校和学院党委的正确领导下,坚持深入学习贯彻习近平新时代中国特色社会主义思想,立足高校大学生成长成才的需求和发展规律,紧密围绕高校“立德树人”的根本任务,贴近电子信息学科特点,持续探索高校学生党组织建设的规律和新方法、新途径,因地制宜、因材施教,以提升组织凝聚力、战斗力为重点,不断加强支部建设思路整体升级,持续提升支部在思想政治引领、规范党组织生活、团结凝聚服务师生、助力学校中心工作等方面发挥更强的支部战斗堡垒作用和党员先锋模范作用。
支部建设思路的发展
国产av 本科生党支部自成立以来,始终坚持做好、做强党的肌体的“神经末梢”,联系服务群众的重要纽带,践行党的宗旨的阵地,和提高党员党性修养的熔炉。
在建设过程中,积极探索基层党建与专业、学生诉求相融合,2013年支部从专业学习的角度出发,总结出了1.0版本——“三极管科学工作法”。学生党支部正如整个党建大系统中的三极管,坚强有力的支部建设可以将党的宗旨、主张放大数倍,贯通到每一位党员;截止和导通不仅体现在支部对于党员的培养考察和发展,还体现在支部将社会主义核心价值观导通到全体党员、入党积极分子和群众,使其成为大学生的情感认同和行为习惯,当错误舆论、思想试图侵袭时,支部可以借助三极管的截止功能,实现战斗堡垒作用。
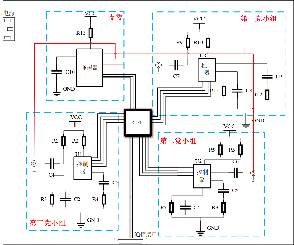
随着支部建设实践的不断推进,支部在建设思路上也进一步提高站位、提升认识水平。支部作为党的肌体细胞,虽小却是党的最基层组织,担负着党的建设的各项工作任务,因此只有将党支部建设的全过程进行科学规划、严格管理,才能达到新时代党建工作的新要求,从基层夯实、加固党的总体建设。本科生党支部从电子信息学科中凝练出万物互联、耦合反馈的工作思路,实现建设思路2.0升级——构建通信系统为支部建设载体,将打造芯片、布局布线、搭建电路、畅通电路、发射反馈等环节与支部建设的各个维度紧密结合,借助工科严谨的逻辑思维和全过程质量管理,激发支部建设的内在动力、提升向外辐射的影响力,探索实践、着力打造强芯硬核党支部。


通俗来讲,支部以马克思主义原理中的普遍联系为出发点,构建和丰富支部与内外部环境的广泛联系,为党员作用发挥搭建各层、各类平台,在学习实践中,激励党员以“元器件”为个人定位,勇于作为、主动反馈,成为有理想、有担当的一面旗帜。
